返回 行业资讯
直流电机在成人用品上的应用
微型直流电机是成人用品核心配件之一,主要作用是产生驱动转矩,作为情趣玩具振动、转动或抽插的动力源,是依据电磁感应定律实现电能转换或传递的一种电磁装置。
像振动按摩器、跳蛋、转珠棒、AV棒、自动飞机杯等玩具都内置有微型直流电机,那么像这些成人用品该使用哪种微型电机比较合适呢?
我们可以把成人用品微型电机分为两大类,一种是微型振动电机,还有一种是微型减速电机。
微型振动电机可使用直流有刷电机,在微型电机轴上带一个偏心轮(如图一),当微型电机运转时,偏心轮的圆心质点不在微电机转心上,电机便会处于不断的失去平衡状态,由惯性作用引起振动,微型振动电机在成人用品主要应用在按摩器、跳蛋等产品上;
而微型减速电机是通过齿轮减速箱影响电机转速,使微电机转速变慢、扭矩变大,从而微型减速电机在旋转棒、伸缩棒等产品上应用广泛。

图一
成人用品电机的主要参数为空载转速、额定负载转速、额定负载转矩、堵转转矩、额定负载功率等,参数不同,微型直流电机价格也不同。
N20微型振动电机参数表
型号 | 始动电压 | 额定电压 | 负载 | 电流 | 转速 | 堵转电流 | 功率 |
TFF-N20VAZ-08225 | 1.2 V | 3.7 V | R6*4.0 SIZE | 0.11 A | 7600 RPM | 0.32 A | 0.25 W |
TFF-N20VAZ-09165 | 1.0 V | 3.7 V | ¢7*5 SIZE | 0.15 A | 10700 RPM | 0.5 A | 0.30 W |

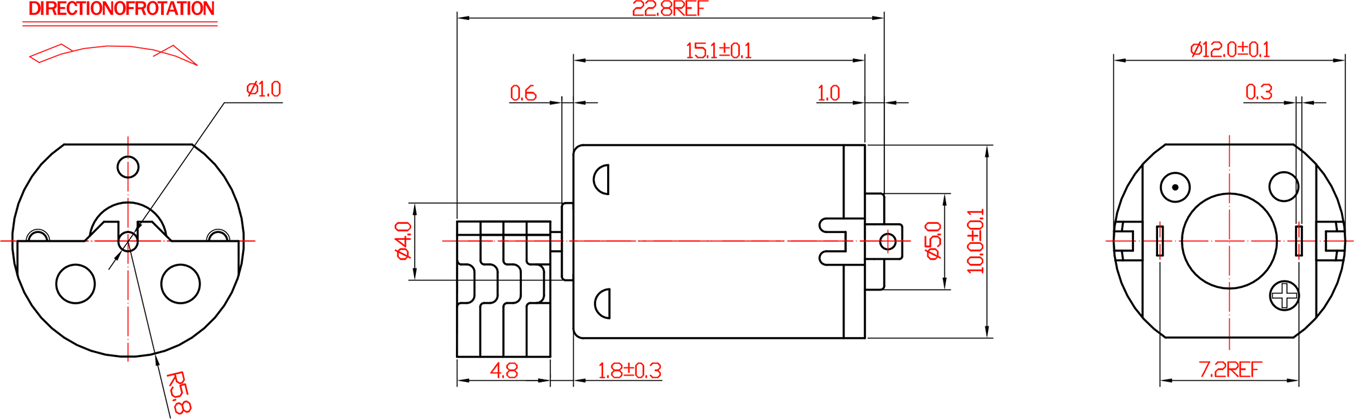
微型振动电机工程图
更多的微型直流电机咨询请继续关注天孚微电机生产厂家。
东莞市天孚电机科技有限公司 版权所有